铣刀头座体的工程图生成

发布者:缪小吉发布时间:2021-03-27浏览次数:377

 

课程名称

机械产品的数字化设计

授课对象

19数控331

授课教师

   潘安霞

授课内容

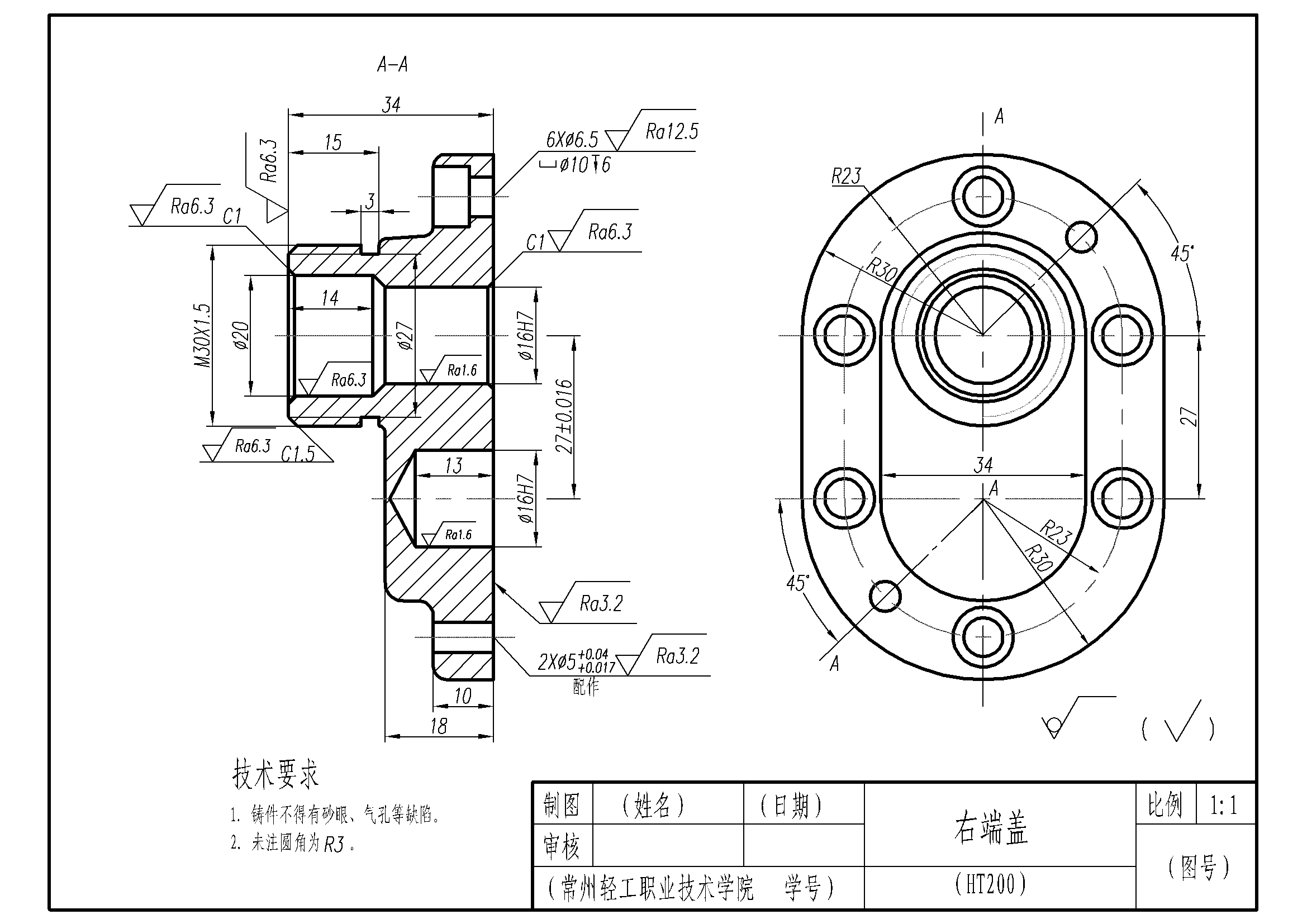
铣刀头座体的工程图生成

学时

4

课程类型

£.思想政治理论课; £.通识课;R.专业课;  £.实践课

教学目标

知识目标:标准三视图、断开的剖面视图、剖面视图、局部视图、尺寸标注

技能目标:1.具有使用三维模型生成工程图的能力

素质目标:严格参照标准,养成大局意识、规矩意识

教学实施

教学引入

工程图是一种工程技术语言,语言要规范,零件的表达方案合理,按照《技术制图国家标准》要求,设置尺寸样式、文字样式等,正确选择使用粗实线、细实线、点画线、虚线等图线格式,养成一丝不苟的工作作风,确保工程图作为工程技术语言达到技术交流的效果。引出本次课的教学任务——铣刀头座体的工程图生成。(5分钟)。

教学展开

1.通过案例讲解知识点(35分钟)

学习标准三视图、断开的剖面视图、剖面视图、局部视图、尺寸标注等知识点





  1. 教师示范操作30分钟)

教师示范铣刀头座体的工程图生成过程











  1. 员工模仿练习(50分钟)

员工利用50分钟时间完成铣刀头座体的工程图生成
4.
分组展示讲解8 *3分钟)

教师点评:针对某些员工工程图生成中,尺寸标注没有按照国家标准的问题,结合现场经验,再次强调我们要注重参照国家制图标准。鼓励员工在工程图生成过程中要有规矩意识、大局意识、标准意识。

5.员工自主创新设计并展示(40分钟)

教学总结

根据员工提交作品,对员工的知识掌握程度和技能目标达成进行总结,再次强调作为一名合格的设计师,在设计产品尤其生成工程图时,一定要有标准意识。

目标达成检测

1.100%员工意识到设计过程中标准意识的重要性。在后期的自主创新产品设计中,90%以上的员工在遇到由零件生成工程图时,能够合理地使用工程图中标准三视图、断开的剖面视图、剖面视图、局部视图、尺寸标注命令。

  1. 自主创新设计作品体现了员工已经初步形成了设计意图。

  2. 通过工程图的生成提升了员工的标准意识

教学反思

工程图的生成,员工在表达方案上常常有丢三拉四的现象,并且在尺寸标注时出现标注不清晰的问题,为了能够使得工程图发挥工程技术语言的功能,课堂上适当补充机械制图的表达。


授课教师 潘安霞