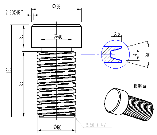
螺杆的数字化设计

发布者:缪小吉发布时间:2021-03-27浏览次数:277

 

课程名称

机械产品的数字化设计

授课对象

19数控331

授课教师

   潘安霞

授课内容

螺杆的数字化设计

学时

4

课程类型

£.思想政治理论课; £.通识课;R.专业课;  £.实践课

教学目标

知识目标:螺旋线/涡状线、扫描特征

技能目标:1.掌握使用3D螺旋线创建扫描路径的方法

2.具有使用方程式进行参数化设计的能力

素质目标:精益求精的工匠精神、团队合作精神

教学实施

教学引入

外表面切有螺旋槽的圆柱或者切有锥面螺旋槽的圆锥。。引出本次课的教学任务——螺杆的设计。(5分钟)。

教学展开

1.通过案例讲解知识点(45分钟)

会使用螺旋线/涡状线、扫描特征











  1. 教师示范操作20分钟)

教师示范螺杆的设计过程










  1. 员工模仿练习(20分钟)

员工利用20分钟时间完成螺杆的设计
4.
分组展示讲解8 *3分钟)

教师点评:针对员工设计过程中扫描特征、螺旋线的设计,结合自己工厂实践的经历,再次强调设计过程中要有严谨的科学态度,容不得半点马虎。

5.员工自主创新设计并展示(40分钟)

教学总结

根据员工提交作品,对员工的知识掌握程度和技能目标达成进行总结。

目标达成检测

1.100%员工意识到设计过程中慢慢熟练扫描特征、螺旋线的应用。在后期的自主创新产品设计中,90%以上的员工在遇到扫描特征的设计时,能够合理地设计。

  1. 自主创新设计作品体现了员工已经初步形成了设计意图。

  2. 提升了员工的精益求精的工匠精神、团队合作精神

教学反思

员工关注了“直观学机械”公众号后,对机械的兴趣提升了很多,提问的员工明显增多。今后要引导员工合理科学的使用网络资源进行泛在式学习。


授课教师 潘安霞